2012年浙江理工大学935机械设计基础A考研真题

2012年浙江理工大学935机械设计基础A考研真题,image.png,浙江理工大学机械设计基础,浙江理工大学,机械设计基础,第1张

2012年浙江理工大学935机械设计基础A考研真题,image.png,浙江理工大学机械设计基础,浙江理工大学,机械设计基础,第2张

2012年浙江理工大学935机械设计基础A考研真题,image.png,浙江理工大学机械设计基础,浙江理工大学,机械设计基础,第3张

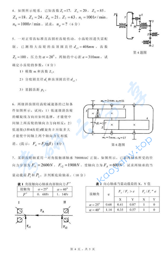
2012年浙江理工大学935机械设计基础A考研真题,image.png,浙江理工大学机械设计基础,浙江理工大学,机械设计基础,第4张

2012年浙江理工大学935机械设计基础A考研真题,image.png,浙江理工大学机械设计基础,浙江理工大学,机械设计基础,第5张

附件
2012年浙江理工大学935机械设计基础A考研真题.docx
1.27MB
.docx
前往下载
附件购买
售价:98 积分
开通会员或更高级的会员可免费下载该文件
您还未登录,请登录后查看资料
登录
免责声明:本站所有的内容均来源于互联网采集或网友投稿提供,不能保证内容的真实性、完整性,仅供个人研究、交流学习使用,不涉及任何商业盈利目的。如果资料有误与官方发布不一致,请与官方最新发布为准,请联系本站管理员予以更改,如果涉及版权等问题,请联系本站管理员予以删除。
维权指引 | 权限说明 | 下载说明 | 内容投诉
考研云分享 » 2012年浙江理工大学935机械设计基础A考研真题
您需要 登录账户 后才能发表评论

发表评论

欢迎 访客 发表评论